| Sign In | Join Free | My portofva.com |
|
Brand Name : BOSJ
Model Number : BOSJ-CH
Certification : SGS,ISO,CE
Place of Origin : JIANGSU
MOQ : 1 SET
Price : Negotiable
Payment Terms : L/C, D/A, T/T, Western Union
Supply Ability : 3 sets per month
Delivery Time : 50 days
Packaging Details : wooden cases
Thickness : 1.5mm-3.0mm
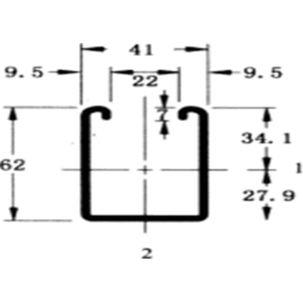
Normal size : 41*21mm/41*41mm/41*62mm/41*62mm/etc
Production Speed : 15-30m/min
Total Power : 35KW
Cutting Type : Flying Cutting
Decoiler : Passive or Automatic
Unistruct Solar Stand C Channel Roll Forming Machine
Normal Sizes:41X21mm/41X41mm/41X61mm/41X72mm or other sizes required by your actual usage.
BOSJ offer sample design,or you can offer your sizes.We will offer you the suitable technical proposal and machine structure.
Main technical parameters
1. Machine Technical parameters
Width of material sheet:≤200 mm
Thickness of material sheet: 0,95 mm up to 1,55 mm
Material of sheet:Galvanized Steel,etc
Line production speed:15-20m/min(including punching/forming/cutting)
Length of the work piece:3000mm-6000mm.
Total Power: 48.2 KW.
2. Machine General Working Condition
Area of production line: length45m x width 3.5m x height 5m
Feeding direction: from left side to right side
Power: 380V, 50Hz, 3 phase
Pneumatic station: pressure 0-0.6MPa.,0.5m3/min.
Hydraulic oil: 46# Hydraulic oil
Gear oil: 18# gear oil
Production Line Component
Equipment part list of automatic U type auto punching/roll forming machine
| No. | Name | Type | Quant. | Power of motor (KW) |
| 1 | Passive Decoiler | MT-300 | 1 set | |
| 2 | Leveler | HS-300 | 1 set | 3 |
| 3 | Servo-feeder | NCF-300 | 1 set | 2.2 |
| 4 | JF21-80 Punching machine | YANGLI GROUP | 1 set | 7.5 |
| 5 | Punching mould | 1 set | ||
| 6 | Roll forming machine | Gantry gearbox | 1 set | 18.5X2 |
| 7 | Flying Hydraulic cutting | 1 set | 5.5 | |
| 8 | Run-out table | SL-300X4000 | 1 set | |
| 9 | Electric control system | 1 set |
3. Unistruct Drawing or Size

4. Main Machine Technical parameter
| ,NO. | Name | unit | parameter | remark | |
1 | materials | Type | Mild steel galvanized sheet | ||
| Plate strength | ≥350 | ||||
| Plate thickness | mm | 1.5~2.5 | |||
| 2 | specification | mm | See the picture | ||
| 3 | speed | m/min | 6~8 | ||
| 4 | Material of the roller | GCr15 Hardening treatment | |||
| 5 | drive type | Gear box | |||
| 6 | power | kw | About40 | ||
| 7 | Electrical control system | PCL frequency control | |||
| 8 | Size(lengthXwidthXheight) | m | 35X4X3.9 | ||
|
|
PV Power C Channel Roll Forming Machine 35KW 41*41mm Bracket Galvanized Steel Images |